Научно-Производственное Объединение «Каскад-ГРУП»
428000, Россия, Чувашская Республика, г. Чебоксары, пр. Машиностроителей, д. 1 КГ
Телефон: (8352) 22-34-32,
Факс: (8352) 63-48-38
E-mail: abc@kaskad-asu.com
Математическая модель системы управления током серии (на примере 3-й серии цеха электролиза ИркАз)
ООО «НПО «Каскад-ГРУП» в 2020 году завершило реконструкцию основных элементов автоматизированной системы управления током 3-й серии на Иркутском алюминиевом заводе (ИркАз).
В результате были модернизированы системы защит преобразовательных транс-форматоров и введена в промышленную эксплуатацию автоматизиро-ванная система управления током серии [1].
В ходе анализа работы агрегатов серии, которые представляют собой несколько силовых трансформаторов с кремниевыми выпрями-тельными агрегатами (КВА), выходы которых подключены к шинам, пи-тающим ванны цеха электролиза, специалистами ООО «НПО «Каскад-ГРУП» была разработана математическая модель, описывающая ра-боту агрегатов серии на нагрузку – электролизные ванны цеха элек-тролиза.
Описание основных элементов, участвующих в формировании тока серии.
Для осуществления электролиза требуется определенное количество электричества, которое обеспечивается трансформаторной преобразовательной подстанцией (КПП), выдающей стабильное значение тока в электролизный цех. Стабилизацию тока, при различных возмущающих воздействиях, обеспечивает система управления током, которая представляет собой несколько силовых трансформаторов с кремниевыми выпрямительными агрегатами (КВА), выходы которых подключены к шинам, питающим ванны цеха электролиза. Управление током осуществляется с помощью регуляторов напряжения под нагрузкой (РПН), которыми комплектуются трансформаторы.
Агрегаты, работающие на одну нагрузку (цех электролиза), называют серией. Ток выдаваемый в нагрузку называют током серии, а напряжение на нагрузке – напряжением серии.
Ток серии определяется как сумма токов, выдаваемых агрегатами серии. Агрегаты, формирующие ток серии, представляют собой однотипные силовые преобразовательные трансформаторы, выходы которых через силовые выпрямительные блоки соединены с выходами других агрегатов и подключены к нагрузке. При этом работа каждого агрегата зависит от режима работы остальных агрегатов и от напряжения на электролизных ваннах. Все агрегаты серии разделены на две группы и переключение РПН агрегатов осуществляется по группам.
Несмотря на большое количество работ по данной тематике нам не встретилось описание модели работы силового преобразовательного агрегата в составе системы, питающей электролизные установки с возможностью моделирования различных режимов работы, выполненной на основе её математического описания. Отдельные элементы системы и основные зависимости описаны в работах [2,3].
Процесс управления током серии - это взаимосвязанная совокупность действий, реализуемых на объектах серии и обеспечивающих согласованность взаимодействия элементов системы управления, в целях обеспечения стабилизации тока серии. Центральный элемент системы — модель процесса, представляющая некий новый упрощенный объект, который отражает существенные особенности реального объекта, процесса формирования тока серии.
Математическая модель — математическое представление реального объекта в виде совокупности математических зависимостей, исследование которых позволяет получать информацию о поведении объекта как системы и предназначена предсказать поведение реального объекта.
Представление работы системы управления током серии в виде математической модели позволяет исследовать процессы, возникающие в системе питания током электролизных ванн при различных режимах работы агрегатов преобразовательной подстанции, а также исследовать работу системы в различных режимах, в том числе и возникновение аварийных режимов.
Описание модели системы управления током серии
В литературе [3] нагрузка агрегатов преобразовательной подстанции представлена в виде последовательного соединения сопротивления и ЭДС, направленной встречно внешнему приложенному напряжению. Эту ЭДС назвали противо-ЭДС.
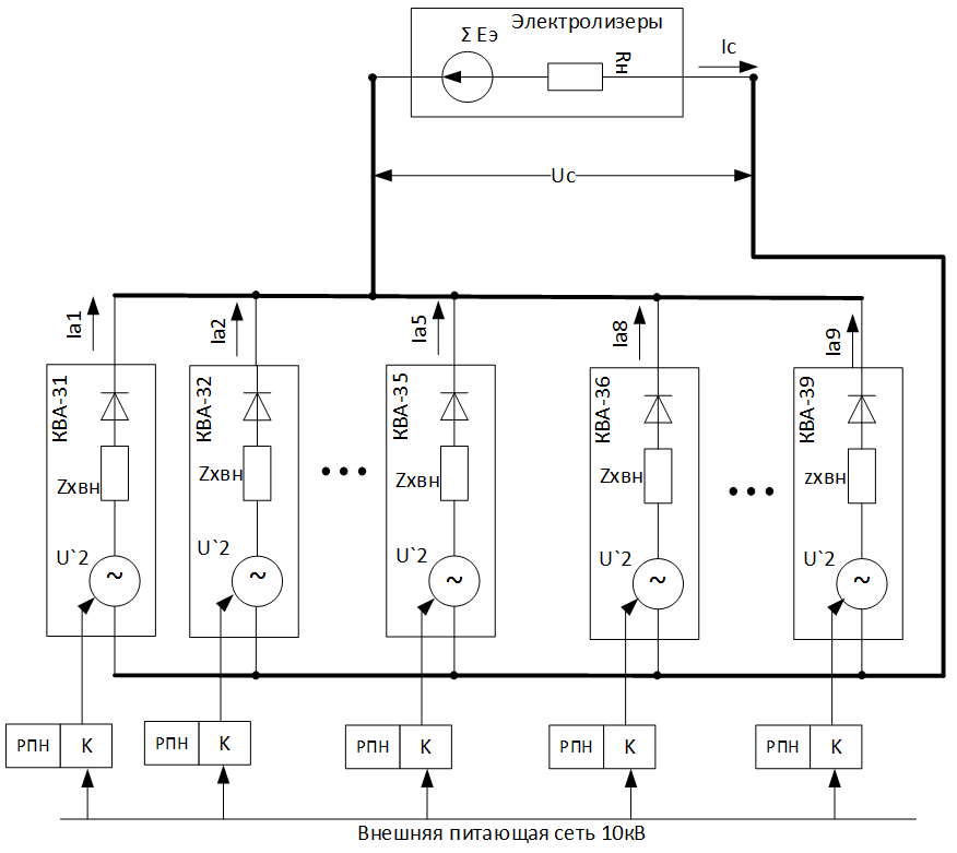
Работу агрегатов серии на электролизеры представим в виде упрощенной структурной схемы, показанной на рисунке 1.
В структурной схеме каждый агрегат представлен в виде источника напряжения U`2, определяемого напряжением на вторичных обмотках трансформатора, со своим внутренним сопротивлением Zx и диодным выпрямителем. Величина напряжения U`2 определяется положением ступени РПН и напряжением сети, к которой подключен трансформатор. Изменение положения РПН меняет коэффициент трансформации и напряжение на вторичных обмотках.
Ток серии из девяти агрегатов определяется в соответствии с законом Кирхгофа, как сумма токов агрегатов, работающих на нагрузку.
Ic = Ia1+Ia2+…+Ia9 = ΣIai
Напряжение противо-ЭДС направлено против приложенного напряжения и определяется приблизительно 1,35В (от 1,3В до 1,4В) на один электролизер. На серию из 160 электролизеров противо-ЭДС составит 218В.
Напряжение серии прямо пропорционально сопротивлению серии и току серии. Напряжение серии [2] определяется по формуле:
Uc = Ic*Rc + E0
Где: Ic – ток серии
Uc – напряжение серии
E0 - напряжение противо-ЭДС.
Rc - сопротивление серии (сопротивление электролита, ошиновки.)

Структура модели.
Структура модели системы управления током серии повторяет в общих чертах структурную схему, представленную на рисунке 1. Структура модели состоит из следующих основных частей:
- модели объекта, описывающей упрощенно потребителя – цех электролиза.
- Модели агрегата – силовой трансформатор с выпрямителями, подключенными по схеме Илларионова (КВА) и с элементами управления напряжением (РПН) на вторичной обмотке трансформатора.
Модель объекта.
Модель объекта математически описывается следующим выражением:
Uc = Ic*Rc + E0
Выше мы определили, что E0 = 218В. Так по результатам натурных испытаний (см. таблицу 2) при положении РПН=11 напряжение серии было Uc = 798,4В, а ток серии Ic = 177,9кА и с учетом измеренных значений определяем Rc.
Rc = 3.26*10-3 Ом.
Учитывая вышеизложенное модель нагрузки (электролизных ванн) можно представить в виде следующего выражения:
Uc = Ic*3,26*10-3 + 218
Модель агрегата.
Агрегат, формирующий составную часть тока серии, содержит силовой трансформатор с диодами, подключенными по схеме Илларионова и с элементами управления напряжением на вторичной обмотке трансформатора (РПН). Агрегат представим в виде структурной схемы, приведенной на рисунке 2.

Где: Uc – напряжение серии [B].
Zx - комплексное сопротивление вторичных обмоток [Ом].
Кт - коэффициент трансформации, определяемый положением РПН.
U`2 – напряжение на вторичных обмотках преобразовательного трансформатора, определяемое положением РПН. Значение напряжения в зависимости от положения РПН приведены в таблице 1
Таблица 1
| Положение РПН | 9 | 10 | 11 | 12 |
| U1, B | 10500 | |||
| U`2, В | 533 | 544 | 561 | 583 |
| Кт | 0,0508 | 0,0518 | 0,0534 | 0,0555 |
В литературе [2] приведен коэффициент расчета напряжения на выходе диодной схемы для преобразователей с 12 фазным режимом преобразования (схема Илларионова) от напряжения на вторичных обмотках трансформатора:
Ud0 / U2ф =2.34
В нашем случае Ud0 соответствует U`2, а U2ф соответствует U`с.
U`2 определяется напряжением питающей сети на входе трансформатора и коэффициентом трансформации (положением РПН), а U`с определяется напряжением серии, с учетом вышеприведенного выражения:
U`с = Uc / 2.34.
Из рисунка 2, на основе закона Ома находим ток на выходе установки, который определяется следующим выражением:
Комплексное сопротивление Zx было определено по опыту холостого хода, приведенного в паспортных данных трансформатора.
Zx = 10,86*10-3Ом
Таким образом, все основные параметры математической модели объекта и математической модели агрегата определены. Модель системы управления током 3-й серии можно представить в виде девяти агрегатов, работающих параллельно на общую нагрузку - модель объекта.
Данная модель системы управления током 3-й серии была реализована на базе типовых блоков, входящих в библиотеку пакета Simulink программ визуального блочного имитационного моделирования Matlab и было проверено на базе Чувашского Государственного Университета, который в процессе совместной научно-практической деятельности предоставил возможность использовать имеющийся у него лицензионный программный пакет Matlab Simulink для проверки работы описанной в настоящей статье математической модели.
В ходе модельных испытаний моделировалась работа агрегатов.
Таблица 2.
| Результаты натурных испытаний | Результаты при моделировании | ||||||||||
| Объект КВА | полож. РПН | Ток серии Ic, кА |
Uc, В | средний ток по КВА | U2, В | Ток серии Ic кА | Погрешность |
Uc, В | Погрешность |
ΣЕ0, В | Средний ток по КВА кА |
| 31-35 | 12 | 184,6 | 819,8 | 18,772 | 583 | 185,235 | 0,64 | 827,4 | 7,6
|
218,0 | 20,263 |
| 36-39 | 12 | 22,667 | 20,981 | ||||||||
| 31-35 | 12 | 180,9 | 808,1 | 21,151 | 583 | 181,492 | 0,59 | 815,1 | 7,0 | 218,0 | 2,747 |
| 36-39 | 11 | 18,785 | 561 | 19,439 | |||||||
| 31-35 | 11 | 180,9 | 808,6 | 15,876 | 561 | 181,492 | 0,59 | 815,1 | 6,5 | 218,0 | 19,126 |
| 36-39 | 12 | 25,382 | 583 | 21,465 | |||||||
| 31-35 | 11 | 177,9 | 798,4 | 18,230 | 561 | 177,749 | -0,15 | 802,8 | 4,4 | 218,0 | 19,610 |
| 36-39 | 11 | 21,696 | 19,924 | ||||||||
| 31-35 | 11 | 174,4 | 788,6 | 20,635 | 561 | 174,856 | 0,46 | 793,3 | 4,7 | 218,0 | 19,985 |
| 36-39 | 10 | 17,813 | 544 | 18,733 | |||||||
| 31-35 | 10 | 174,9 | 790,1 | 15,715 | 544 | 174,856 | -0,04 | 793,3 | 3,2 | 218.0 | 18,733 |
| 36-39 | 11 | 24,078 | 561 | 20,298 | |||||||
| 31-35 | 10 | 172 | 781,8 | 17,906 | 544 | 171,964 | -0,04 | 783,8 | 2,0 | 218,0 | 19,107 |
| 36-39 | 10 | 20,621 | 19,107 | ||||||||
| 31-35 | 10 | 170,5 | 774,9 | 19,084 | 544 | 170,092 | -0,4 | 777,6 | 2,7 | 218,0 | 19,349 |
| 36-39 | 9 | 18,763 | 533 | 18,336 | |||||||
| 31-35 | 9 | 170,9 | 777,9 | 16,711 | 533 | 170,091 | -0,82 | 777,6 | 0,6 | 218,0 | 18,539 |
| 36-39 | 10 | 21,841 | 544 | 19,349 | |||||||
| 31-35 | 9 | 169,6 | 773,9 | 16,711 | 533 | 168,220 | -1,38 | 771,4 | -2,5 | 218,0 | 18,781 |
| 36-39 | 9 | 21,841 | 18,579 | ||||||||
Из результатов испытания работы модели, приведенной в таблице 2 видно, что отличие фактического поведения объекта от поведения модели отличаются не более чем на 1,38 кА в абсолютном выражении. Отклонение, приведенное к току серии, не превышает 0.82%.
Также была проведена проверка работы модели при вводе в работу одного из агрегатов. Восемь агрегатов работают на 11 ступени РПН, а один агрегат вводился в работу путем последовательного повышения ступени его РПН. Целью проверки был анализ изменения тока и напряжения серии, токов агрегатов на которых не осуществляется изменений и агрегата, вводимого в работу. Результаты моделирования при вводе в работу одного агрегата из выключенного состояния при работающих остальных восьми агрегатов приведены в таблице 3.Из результатов испытания работы модели, приведенной в таблице 2 видно, что отличие фактического поведения объекта от поведения модели отличаются не более чем на 1,38 кА в абсолютном выражении. Отклонение, приведенное к току серии, не превышает 0.82%.
Таблица 3.
| РПН | 0-8 | 9 | 10 | 11 | 12 | 13 | 14 |
| Ток агрегата, вводимого в работу, кА | 0 | 10,191 | 18,538 | 19,830 | 21,735 | 23,183 | 26,150 |
| Ток серии кА | 168,799 | 173,736 | 177,749 | 178,472 | 179,408 | 180,429 | 181,577 |
| Напряжение серии В | 773,1 | 789,6 | 802,8 | 805,2 | 808,3 | 811,6 | 815,9 |
| Средний ток остальных агрегатов | 21,091 | 20,443 | 19,924 | 19,830 | 19,709 | 19,577 | 19,428 |
Результаты испытаний, представленные в виде графиков токов и напряжений, построенных по данным из таблицы 3, приведены на рисунке 3.

Выводы:
- Представленная математическая модель системы управления током серии довольно точно описывает работу агрегатов КВА (установок, питающих электролизный цех).
- Математическая модель может быть применена как для анализа работы установок формирования тока серии в различных режимах работы, в том числе и для моделирования поведения системы в различных аварийных ситуациях или критических режимах.
- Математическая модель может быть использована и для создания тренажера для тренировки оперативного персонала системы управления током.
Список литературы.
- А.М.Прокопьев, В.С.Андреев, В.И.Никифоров и др. Автоматизированная система управления током 3-ей серии в производстве алюминия. Журнал Автоматизация в промышленности №9 2020.
- Фишлер Я.Л и др. «Трансформаторное оборудование для преобразовательных установок» М. Энергоатомиздат 1989.
- А.М.Марков, В.М.Салов Стабилизация тока серии электролизеров в процессе электролитического получения алюминия. Вестник ИрГТУ №4 (63) 2012
ООО «НПО «Каскад-ГРУП»
А. М. Прокопьев, главный специалист по автоматизации
В. С. Андреев, генеральный директор
Чувашский Государственный Университет г.Чебоксары
А. В. Щипцова, декан факультета ИВТ ЧГУ
Опубликовано: http://asu.tgizd.ru/
В журнале «Промышленные АСУ и контроллеры» за №3 (март) 2022г. в разделе :
ПРИБОРЫ И СИСТЕМЫ ДЛЯ АВТОМАТИЗАЦИИ
Современные подходы к обеспечению информационной безопасности в АСУ ТП: практический подход НПО «Каскад-ГРУП»
Кроссплатформенное развитие SCADA-системы «КАСКАД». Поддержка отечественных операционных систем в рамках реализации программы импортозамещения
SCADA-система «КАСКАД»: Runtime-среда для ОС Linux
SoftLogic-система «KLogic» и роутеры Телеофис: мощный инструмент диспетчеризации и автоматизации для распределенных объектов, требующих резервирования каналов связи любой сложности
Применение интеллектуальных шлюзов для интеграции разнородных устройств в единую автоматизированную систему
Автоматизированная система управления током серии в производстве алюминия