Научно-Производственное Объединение «Каскад-ГРУП»
428000, Россия, Чувашская Республика, г. Чебоксары, пр. Машиностроителей, д. 1 КГ
Телефон: (8352) 22-34-32,
Факс: (8352) 63-48-38
E-mail: abc@kaskad-asu.com

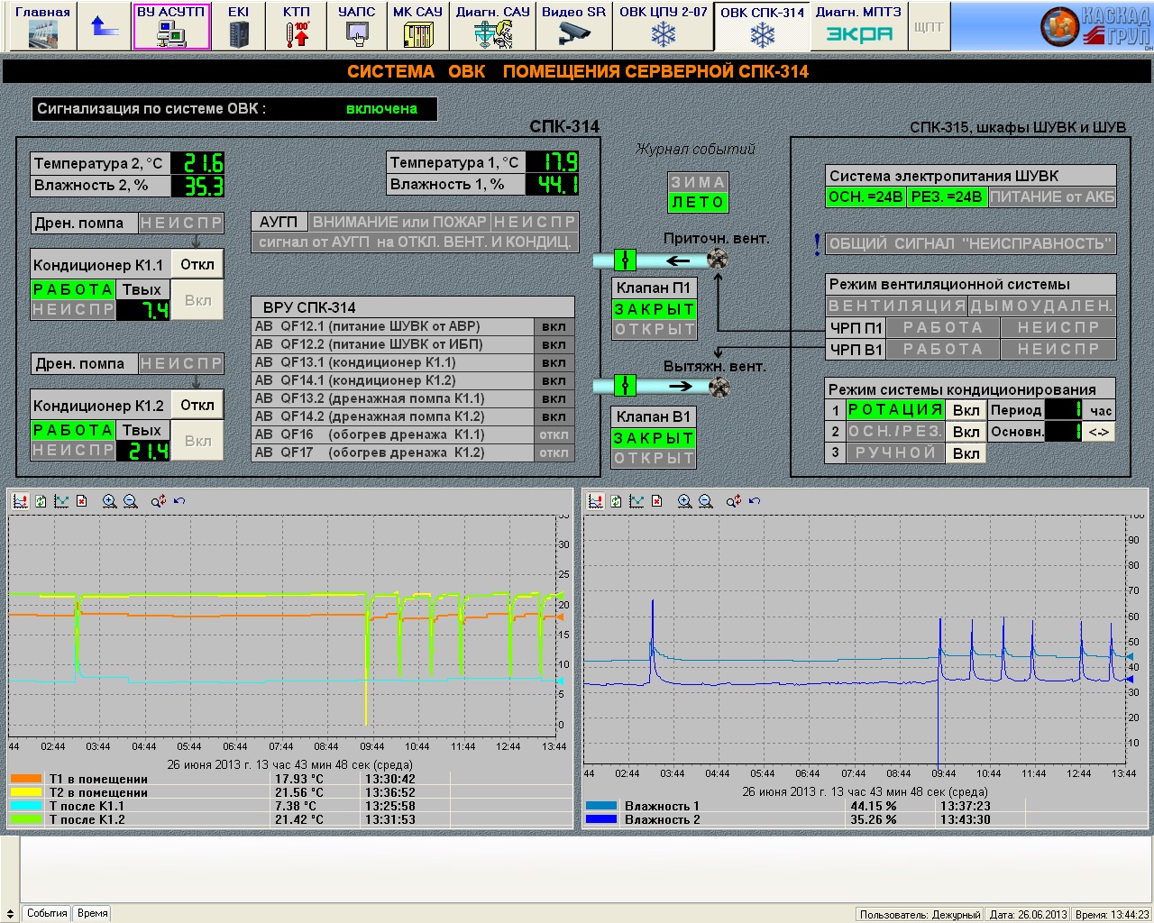
Завершена реконструкция помещения и систем жизнеобеспечения серверной служебно-производственного корпуса
В краткие сроки успешно реализована программа реконструкции помещения и систем жизнеобеспечения серверной служебно-производственного корпуса филиала ОАО «РусГидро» - «Чебоксарская ГЭС», г. Новочебоксарск.
Совместными усилиями партнеров удалось устранить недостатки устаревшего оборудования инженерных систем соответствующего помещения серверной СПК, а именно:
- Увеличена площадь серверной с 36 кв. м до 55 кв. м, проведена внутренняя отделка помещения;
- Смонтирована и налажена система рабочего и аварийного оснащения;
- Смонтирована и налажена система контроля электропитания;
- Смонтирована и налажена резервированная система поддержания климата с поддержанием температуры от 18°С;
- Смонтирована и налажена приточно-вытяжная вентиляция с превышением давления в помещении серверной;
- Смонтированы и налажены системы пожарной сигнализации, автоматического газового пожаротушения и дымоудаления;
- Внедрена система контроля, дистанционного управления, архивирования, сигнализации и оповещения дежурного и эксплуатационного персонала на базе SCADA-системы «Каскад» с интеграцией сигналов инженерных систем жизнеобеспечения серверной служебно-производственного корпуса.

Старт акселератора «Москва-Чебоксары 4.0»: НПО «Каскад-ГРУП» будет поддерживать студенческие инновации
17 сентября 2025, 08:32

Где рождаются сложные решения для промышленности: студенты увидели работу НПО «Каскад-ГРУП» изнутри
10 сентября 2025, 08:16

НПО «Каскад-ГРУП» представляет ключевые решения для водного сектора на «ЭКВАТЭК-2025»
09 сентября 2025, 11:35
НПО «Каскад-ГРУП» примет участие в международной выставке «ЭКВАТЭК»
08 августа 2025, 08:19
ПАК «Комплекс программно-технический «Каскад-ГРУП» (ПАК ПТК «Каскад-ГРУП») внесен в Реестр Минцифры России
01 августа 2025, 09:50

Продукция компании НПО «Каскад-ГРУП» получила знак «Российская промышленная продукция»
07 июля 2025, 10:23
Версии SCADA-системы «КАСКАД» и SoftLogic-системы «KLogic» для операционных систем семейства Linux успешно прошли тестирование на совместимость с Astra Linux Special Edition
03 июля 2025, 08:14
Все материалы раздела
перейти